11/08/21
Plastic debris in soil aids growth of dangerous fungi

Plastic fragments from one of the environmental samples. Inset is corresponding soil sub-sample.
University of Bayreuth

A research scientist in a lab trying to find the link between diseases causing fungi and small pieces of plastic debris.
Christian Wißler

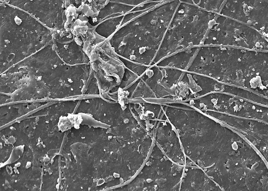
Fungal spores can be seen along a crack in a microplastic particle.
University of Bayreuth

Fungal infestation of the soil.
University of Bayreuth
By: Dann Okoth
Send to a friend
The details you provide on this page will not be used to send unsolicited email, and will not be sold to a 3rd party. See privacy policy.
[NAIROBI] Scientists have discovered a potentially lethal link between fungi that cause diseases and small pieces of plastic debris of less than five millimetres in soil.
The fungi identified cause medical problems such as swelling in the lungs and allergy symptoms including coughing and wheezing, according to the study published in Scientific Reports last month (15 July).
“This is a key finding because some of the fungi are disease-causing and knowledge of their existence is a first step in profiling their habitat.”
Dennis Otieno, Kenya’s Jaramogi Oginga Odinga University of Science and Technology
One of the lung diseases, known as chronic obstructive pulmonary disease, led to 3.23 million deaths in 2019 globally, with more than 80 per cent of the deaths occurring in low- and middle-income countries, according to the World Health Organization.
The researchers established the link between disease-causing fungi and small plastics by analysing soil samples from sites near human settlements in the town of Siaya, in western Kenya, including a marketplace, a dump site, a roadside and a courtyard.
“These microplastics [small pieces of plastic debris] create a conducive environment for fungal growth, by trapping soil water and other nutrients on their surfaces, enabling the fungi to attach themselves and grow and multiply,” says Dennis Otieno, an associate professor at Kenya’s Jaramogi Oginga Odinga University of Science and Technology, who was not involved in the study.
Otieno adds that because of poor disposal of plastics, microplastics have become widespread in Kenyan soils, particularly in urban, suburban and market areas, leading to pollution of the environment.
The risk of exposure to infections is heightened by the fact that humans are in constant contact with soil through body contact or drinking water, explains Otieno, who conducts biodiversity research.
“This is a key finding because some of the fungi are disease-causing and knowledge of their existence is a first step in profiling their habitat, their potential impacts on environment and humans and their management,” he tells SciDev.Net.
Researchers identified the fungus Remotididymella anthropophila, which has been found in the human respiratory tract, as the dominant fungal species on microplastics, the study says.
“The aggregation of pathogenic fungi on plastic, an omnipresent and extremely persistent pollutant, effectively makes it a potent source of infection and could open new infection routes, increasing the risk of disease for wildlife, livestock, and humans,” the study added.
Gerasimos Gkoutselis, a coauthor of the study and a doctoral student at the University of Bayreuth’s department of mycology in Germany, says that the fungi are able to withstand solar radiation and heat which they are exposed to on soil surfaces.
Researchers used imaging techniques such as scanning and electron microscopy to examine the microplastics, small debris of plastics that are less than five millimetres long.
“By observing all stages of fungal biofilm formation on microplastics in the soil samples, we were able to demonstrate that fungi not only grow but also reproduce in the so-called plastisphere [an environment with several plastics],” Gkoutselis adds.
“Our research results, therefore, support the presumption that specialised fungal communities form on the microplastics, which differ significantly from the fungal communities in the surrounding soil,” adds Gerhard Rambold, a co-author of the study and head of the department of mycology at the University of Bayreuth.
The biological effects of microplastics in the environment is a growing concern, says Eric Ogello, a lecturer and aquaculture specialist at Maseno University, Kenya.
The multidisciplinary nature of the research team, he says, gives it a solid foundation upon which further research could be based.
Otieno agrees with Ogello that there is a need for further research on microplastics in soil to determine, for example, how they influence water flow in the soil, how they affect plant water uptake, and bacterial communities.
“The findings could contribute to policy documents on management of microplastics,” Otieno says.
This piece was produced by SciDev.Net’s Sub-Saharan Africa English desk.